Актуальные нормативно-правовые акты, отраслевые стандарты и технические регламенты, регулирующие проектирование, монтаж и эксплуатацию систем автоматического полива и ландшафтного благоустройства. Материалы помогут специалистам корректно выполнять работы в соответствии с установленными нормами, избегать типичных ошибок и обеспечивать высокое качество реализуемых проектов.
Техническая документация
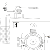
Официальная техническая документация от производителей, пошаговые инструкции по настройке, таблицы с техническими характеристиками и схемы подключения. Материалы регулярно обновляются и дополняются актуальной информацией для обеспечения корректной работы вашего оборудования и продления срока его службы.
Каталоги ведущих производителей систем автоматического полива, ландшафтного оборудования и комплектующих. Здесь вы найдете подробные технические характеристики, спецификации, артикулы и рекомендации по применению продукции. Материалы регулярно обновляются в соответствии с последними коллекциями производителей. Каталоги доступны для скачивания в PDF-формате и содержат всю необходимую информацию для правильного подбора оборудования под ваши проектные задачи.
